Target Hydraulics Helped Canadian Clients Solve Plastic Tanks Leaking Problem
NINGBO, ZHEJIANG, CHINA, November 3, 2016 /EINPresswire.com/ -- Target Hydraulics, a global manufacturer and supplier of hydraulic power packs, hydraulic power units, hydraulic valves and hydraulic manifold blocks,is happy to announce its success in solving plastic tanks leaking problems for its Canadian clients.
This comes after years of research and adopting various innovative solutions.
"Leakages in hydraulic systems, not only undermine the performance of machines, but also, hazardous and expensive when it gets out of hand," said Dominic Wang, Target Hydraulics product manager. "All our fittings and connectors come in different styles, designs and standards, providing a tight sealing effect. They are designed to eliminate incompatibility issues that are a major problem in the industry."
Since the inception of Target Hydraulics ten years ago, the company has adopted a strict quality inspection process. This aims to validate every component of the hydraulic systems.
Target Hydraulics has invested in the following key components:
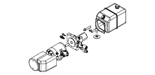
Hydraulic power packs
This is an in-house designed portable hydraulic equipment that can attain a pressure of up to 250 bar. To solve the plastic tank leaking problem, every component is manufactured to a high quality standard. These include the electric motors, pumps, hydraulic tank reservoir assembly, valves and hydraulic manifolds.
Hydraulic power units
Target Hydraulics manufacture a wide range of flexible hydraulic power units designed to suit different performance requirements. The gear pumps are available in different configurations such as Group 05/1 and 0.18 to 8.8 cc. The DC motors are rated 12/24V heavy duty service. Their power rating varies between 0.5 to 4 kW with a tank capacity of 35 liters.
Hydraulic valves
Target Hydraulics has adopted strict directional flow that helps optimize performance of the overall system by eliminating the possibility of leakages. These cartridge valves help control direction, pressure and speed. The valve body and pool are tested to conform to the Canadian standards stipulated for solenoid directional valve, flow control and relief valve.
Hydraulic manifolds
They are manufactured as per the strict quality control to ensure reliability in any hydraulic equipment. These include custom hydraulic manifolds, cartridge valve manifolds and housing valve manifolds. Every hydraulic manifold is designed to hold hydraulic valves in place, preventing the possibility of leakages in these systems.
Incompatibility being a common problem that results in leakages in the hydraulic systems, Target Hydraulics has diversified in other hydraulic components such as hydraulic tanks, hydraulic oil pipes, suction filters, coupling, motors, cables and remote control.
“As a company, we believe in quality manufacturing process and customer satisfaction by producing exactly what our customers require,” reiterated Dominic Wang. “This why we trust SolidWorks and inventor for hydraulics in our design process.”
About Target-Hydraulics
Target-Hydraulics is the leading manufacturer of hydraulic cartridge valves, valve manifold blocks AC and DC hydraulic power units units. These systems are used in electric straddle stackers, hydraulic power units, scissor lifts, tipping trailers and custom hydraulic systems. They are designed to meet high quality standards that conform to the CE and ASTM standards. Target Hydraulics main partners include HELI, MUNCIE, Huade, Rexroth & BUCHER Hydraulics.
Target Hydraulics contact information:
http://www.target-hydraulics.com/
sales@target-hydraulics.com
0086-574-8628-0025
This comes after years of research and adopting various innovative solutions.
"Leakages in hydraulic systems, not only undermine the performance of machines, but also, hazardous and expensive when it gets out of hand," said Dominic Wang, Target Hydraulics product manager. "All our fittings and connectors come in different styles, designs and standards, providing a tight sealing effect. They are designed to eliminate incompatibility issues that are a major problem in the industry."
Since the inception of Target Hydraulics ten years ago, the company has adopted a strict quality inspection process. This aims to validate every component of the hydraulic systems.
Target Hydraulics has invested in the following key components:
Hydraulic power packs
This is an in-house designed portable hydraulic equipment that can attain a pressure of up to 250 bar. To solve the plastic tank leaking problem, every component is manufactured to a high quality standard. These include the electric motors, pumps, hydraulic tank reservoir assembly, valves and hydraulic manifolds.
Hydraulic power units
Target Hydraulics manufacture a wide range of flexible hydraulic power units designed to suit different performance requirements. The gear pumps are available in different configurations such as Group 05/1 and 0.18 to 8.8 cc. The DC motors are rated 12/24V heavy duty service. Their power rating varies between 0.5 to 4 kW with a tank capacity of 35 liters.
Hydraulic valves
Target Hydraulics has adopted strict directional flow that helps optimize performance of the overall system by eliminating the possibility of leakages. These cartridge valves help control direction, pressure and speed. The valve body and pool are tested to conform to the Canadian standards stipulated for solenoid directional valve, flow control and relief valve.
Hydraulic manifolds
They are manufactured as per the strict quality control to ensure reliability in any hydraulic equipment. These include custom hydraulic manifolds, cartridge valve manifolds and housing valve manifolds. Every hydraulic manifold is designed to hold hydraulic valves in place, preventing the possibility of leakages in these systems.
Incompatibility being a common problem that results in leakages in the hydraulic systems, Target Hydraulics has diversified in other hydraulic components such as hydraulic tanks, hydraulic oil pipes, suction filters, coupling, motors, cables and remote control.
“As a company, we believe in quality manufacturing process and customer satisfaction by producing exactly what our customers require,” reiterated Dominic Wang. “This why we trust SolidWorks and inventor for hydraulics in our design process.”
About Target-Hydraulics
Target-Hydraulics is the leading manufacturer of hydraulic cartridge valves, valve manifold blocks AC and DC hydraulic power units units. These systems are used in electric straddle stackers, hydraulic power units, scissor lifts, tipping trailers and custom hydraulic systems. They are designed to meet high quality standards that conform to the CE and ASTM standards. Target Hydraulics main partners include HELI, MUNCIE, Huade, Rexroth & BUCHER Hydraulics.
Target Hydraulics contact information:
http://www.target-hydraulics.com/
sales@target-hydraulics.com
0086-574-8628-0025
Domic Wang
Target Hydraulics
0086-574-8628-0025
email us here
Hydraulic Power Pack Manufacturer - Target Hydraulic
Legal Disclaimer:
EIN Presswire provides this news content "as is" without warranty of any kind. We do not accept any responsibility or liability for the accuracy, content, images, videos, licenses, completeness, legality, or reliability of the information contained in this article. If you have any complaints or copyright issues related to this article, kindly contact the author above.


