World Micro is Proud to announce Nikkohm Braking Resistors
/EINPresswire.com/ -- MUNICH, GERMANY--(Marketwired - Nov 9, 2016) -
- 40kW-5 SECONDS(200kJoule)SHORT TIME OVERLOAD
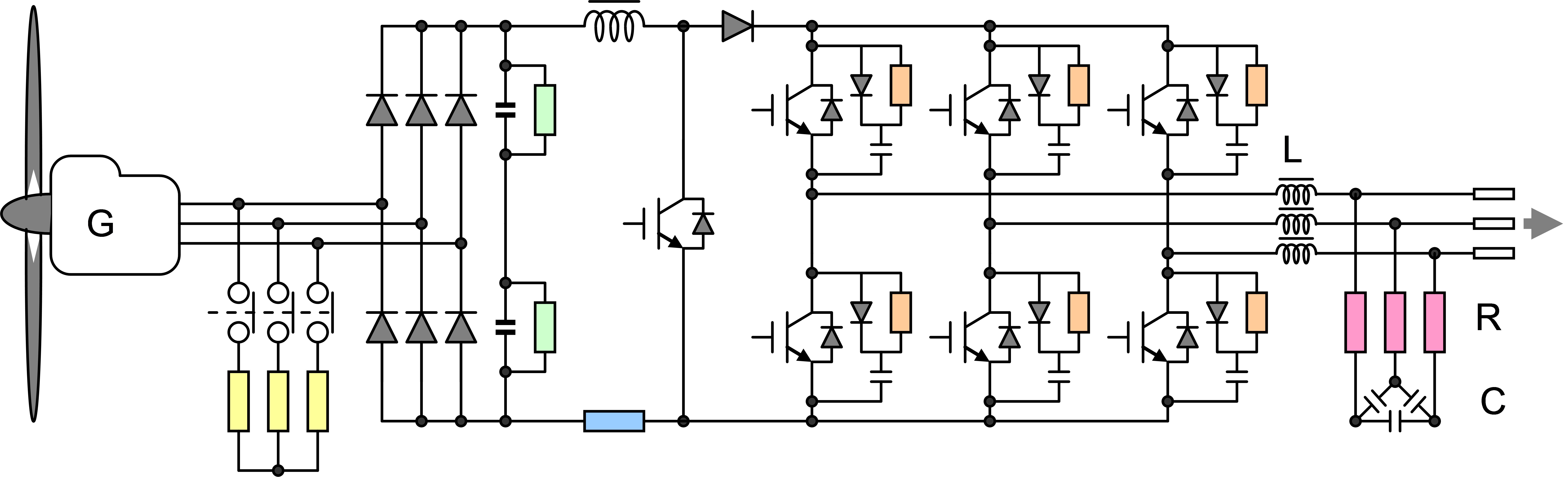
- MBH series converts energy of movement to heat for windmill generator and motor control electronics
- MBH3000, MBH5000, MBH7200, MBH10800
Atlanta-based electronics distributor, World Micro, Inc., is proud to announce that Nikkohm has released its new metal clad wire wound resistor series (MBH3000, MBH5000, MBH7200, MBH10800). The product offering is immediately available. The MBH series is efficient in conversion of energy up to 200kJoule in a short time period. MBH10800 series is a small sized braking resistor which is flexible / easy to install into the nacelle of wind power generation equipment. The braking resistor has two-form factor implementations, MBH (horizontal mount) and MBV (vertical mount). The MBH10800 is 760mm x 270mm x 72mm (H) and weighs 14kG. MBH contains one, two or three resistor elements in a metal housing. The MBH10800 provides 1 Ω to 240 Ω resistance range, 1500VAC insulation voltage, 2900W continuous power rating, 46kW - 6 second maximum pulse power loading capability (276,000 Joule), and operating temperature range of -55°C to +200°C.
The MBH / MBV can be ordered with one of two standard termination types. Both the L shaped metal tab terminals with M5 tapped hole or the standard UL3515-AWG10 insulated wire terminals are available. Terminal box and thermo switch options are available. Initial production capacity is approximately 20,000 pieces / month.
Nikkohm Co., Ltd. (CEO Shigeru Hidaka, Ph, D) is a Japanese manufacturer of automotive and industrial resistors, located in Misawa, Aomori. Established in 1966, Nikkohm provides power resistors, wire wound resistors, current detect resistors, precision resistors, microwave resistive components, both thick and thin film thermal converters and metal resistor technology. Nikkohm products applied in the power electronics industry contribute to energy savings and assist in producing a clean electromagnetic environment. This is Nikkohm's social responsibility -- contribute to a clean environment.
Nikkohm Co., Ltd. was the first in the world to offer the TO220 style power film resistor in 1986.
Both companies will be exhibiting at electronica in Munich, Germany during November, 2016.
About World Micro: World Micro, Inc. is a global, aerospace, military, commercial, and medical electronic component and products distributor focused on quality systems. Since 1996, World Micro has helped its customers solve difficult supply chain issues through innovative research, design, sourcing, stocking, procurement, inventory, and management solutions. World Micro, Inc. is privately held with headquarters in Atlanta, Georgia, with its Asian distribution hub in Penang, Malaysia. The company's website is www.worldmicro.com and can be followed on Twitter at twitter.com/worldmicro.
Please download a datasheet, http://www.nikkohm.com/ Request sample and quotation at info@worldmicro.com
Image Available: http://www2.marketwire.com/mw/frame_mw?attachid=3076792
World Micro, Inc.
770.698.1900
info@worldmicro.com
http://www.worldmicro.com/
Legal Disclaimer:
EIN Presswire provides this news content "as is" without warranty of any kind. We do not accept any responsibility or liability for the accuracy, content, images, videos, licenses, completeness, legality, or reliability of the information contained in this article. If you have any complaints or copyright issues related to this article, kindly contact the author above.
